詳細介紹
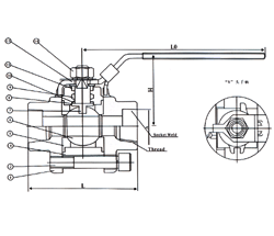
鍛鋼球閥特點 適用范圍 800Lb鍛鋼球閥結構
注意:客戶需求的其他材質也可采用。密封面材料配對由客戶指定內件代號決定。CS=碳鋼;AS=合金鋼;SS=不銹鋼; 800Lb鍛鋼球閥主要外形尺寸
900Lb-1500Lb鍛鋼球閥結構
900Lb-1500Lb鍛鋼球閥主要性能規范
900Lb-1500Lb鍛鋼球閥主要外形尺寸
產品結構![]() | ||||||||||||||||||||||||||||||||||||||||||||||||||||||||||||||||||||||||||||||||||||||||||||||||||||||||||||||||||||||||||||||||||||||||||||||||||||||||||||||||||||||||||||||||||||||||||||||||||||||||||||||||||||||||||||||||||||||
溫馨提示:“鍛鋼球閥”所有文字、數據、圖片均只適用于參考。
如需與實物相吻合的性能參數、結構尺寸參數等詳情請來電來函索取。
電話:021-68103333 傳真:021-51686322
如需與實物相吻合的性能參數、結構尺寸參數等詳情請來電來函索取。
電話:021-68103333 傳真:021-51686322

軟密封蝶閥視頻介紹





掃一掃關注我們